Выпрямительные системы ESB 48 В постоянного тока 200 А были специально разработаны для проекта модернизации базовых станций связи в Южной Америке. Эти надежные системы обеспечивают необходимое питание оборудования на станциях, обеспечивая бесперебойную работу даже в сложных условиях, тем самым повышая стабильность услуг связи.
Обзор системы
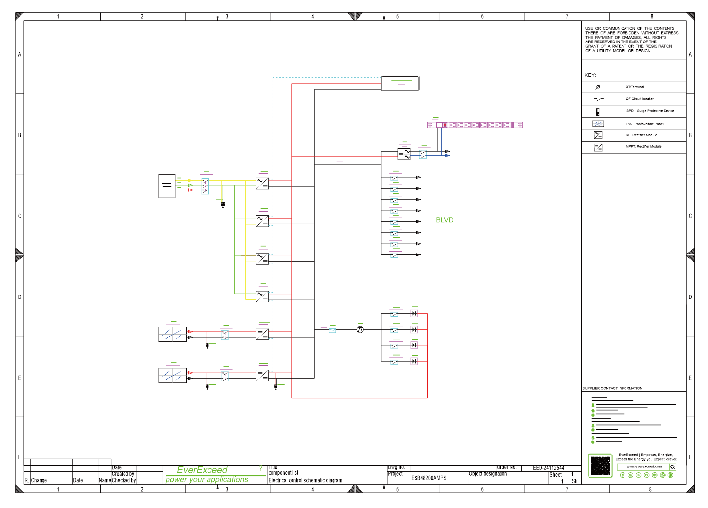
Специализированные телекоммуникационные выпрямительные системы серии ESB разработаны на основе концепции «интегрированной многофункциональной системы электропитания базовой станции». Она включает в себя модуль выпрямителя, солнечный модуль MPPT, инвертор, литиевую батарею, модуль мониторинга, блок распределения питания (PDU) и шкаф базовой станции на одной платформе.
| Общая спецификация | Общая спецификация | |
| Модель | ESB48VDC200A |
|
| Рабочая температура | от -10°С до +45°С | |
| Температура хранения | -25°C~70°C (без батарей) | |
| Относительная влажность | 5%~95% относительной влажности (без конденсации влаги) | |
| Высота | 2000 м макс. без снижения номинальных характеристик | |
| Охлаждающий вентилятор | 21 Вт*2 | |
| Рейтинг IP | IP20 | |
| Размеры (мм) | Ш600*Г900*В2000 | |
Изюминка дизайна
Все в одном: Шкаф отличается высокой степенью интеграции. Он особенно хорошо подходит для сетей связи, требующих быстрого развертывания, эффективной работы и гибкого расширения.
Проектирование системы мониторинга автоматического выключателя: Интегрирует несколько механизмов защиты (от перегрузки, короткого замыкания, пониженного напряжения) для мониторинга состояния и параметров автоматического выключателя в режиме реального времени. Поддерживает удалённое управление для раннего обнаружения потенциальных неисправностей.
Проектирование многосистемного распределения питания: Объединяет в себе источник постоянного тока, двунаправленный аккумулятор и распределение фотоэлектрических систем, оснащенных защитой от перенапряжения. Система распределения постоянного тока включает в себя BLVD для предотвращения чрезмерного разряда аккумулятора, продлевая срок его службы.
Конструкция модуля с возможностью горячей замены: Модули высотой 1U с возможностью горячей замены поддерживают горячую замену в режиме онлайн, обеспечивая бесперебойное питание аккумулятора и нагрузки. Модули оснащены интеллектуальным распределением тока, резервированием и гибкой регулировкой выходной мощности.
Централизованная система мониторинга: Встроенная система мониторинга FSU с архитектурой B/S поддерживает сетевой доступ. Централизованно контролирует модули выпрямителей, фотоэлектрические модули MPPT, инверторы и литиевые аккумуляторы, предлагая расширенный пользовательский интерфейс и интерактивное взаимодействие.
Конструкция защиты от перенапряжения: Оснащены УЗИП переменного тока, фотоэлектрическими УЗИП и УЗИП постоянного тока (устройствами защиты от перенапряжения) с возможностью горячей замены предохранителей для легкой замены, что обеспечивает эффективную защиту оборудования от молний и переходных перенапряжений промышленной частоты.
Сканировать в WeChat:everexceed
